- Partiron
- OEM Parts
- Kawasaki
- motorcycle
- 1978
- Police 1000
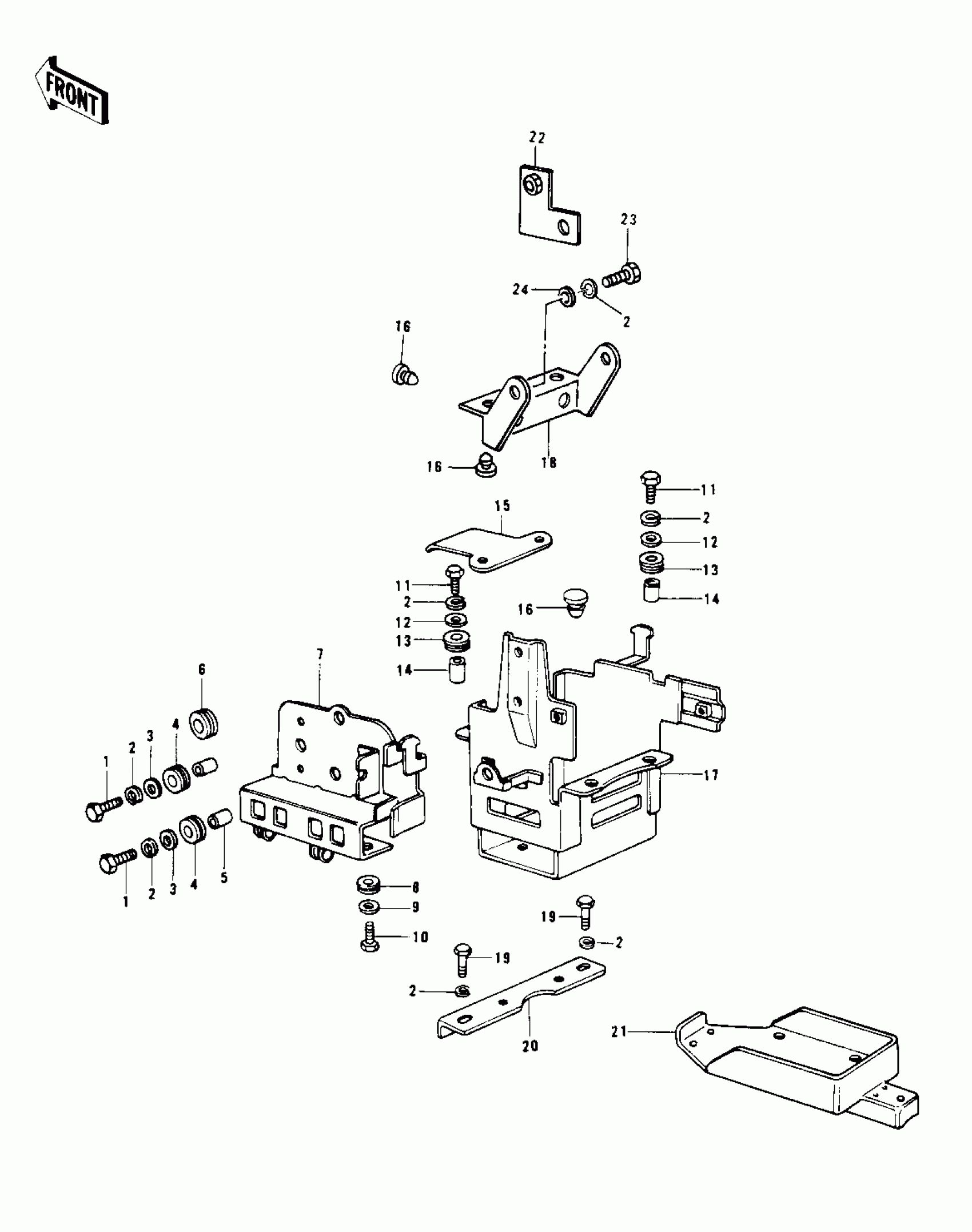
BATTERY CASE/TOOL CASE ('78 C1/C1A)
Kawasaki Police 1000 BATTERY CASE/TOOL CASE ('78 C1/C1A) Diagram
#
Description
Price
22
BRACKET,HAZARD REGLT
11034-1045
Unavailable
