Partiron

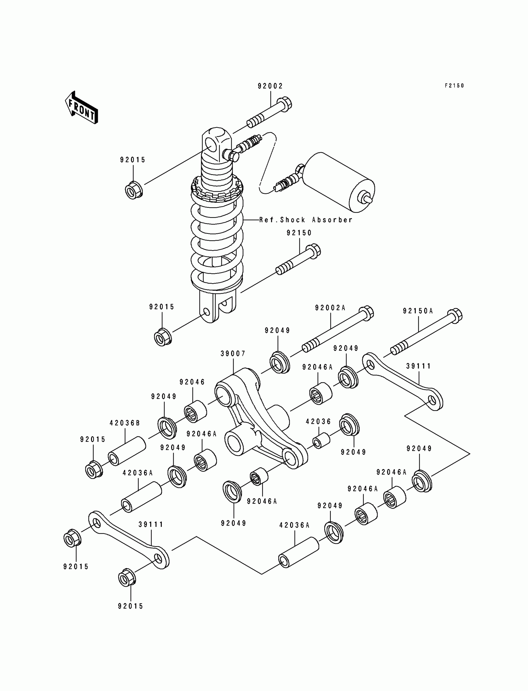
Kawasaki Ninja® ZX™-7R Suspension Diagram

#

Description
Price

39007

ARM-SUSP,UNI TRAK

39007-1201

$203.18

39111

ROD-TIE

39111-1121

$21.49

42036

SLEEVE,12.1X20X32

42036-1077

$16.69

42036A

SLEEVE,12.1X20X88

42036-1250

$32.76

42036B

SLEEVE,12.1X20X44.5

42036-1288

$23.82

92002

BOLT,12X55

92002-1130

$10.65

92002A

BOLT,12X85

92002-1255

$18.23

92015

NUT,LOCK,FLANGED,12MM

92015-1433

$8.86

92046

BEARING-NEEDLE,BM202726

92046-1110

$23.45

92046A

BEARING-NEEDLE,BM202715

92046-1112

$20.89

92049

SEAL-OIL,ARM

92049-1109

$9.28

92150

BOLT,FLANGED,12X63

92150-1258

$12.71

92150A

BOLT,FLANGED,12X112

92150-1259

$19.44