- Partiron
- OEM Parts
- Kawasaki
- side-x-side
- 2011
- MULE™ 610 4x4 XC CAMO
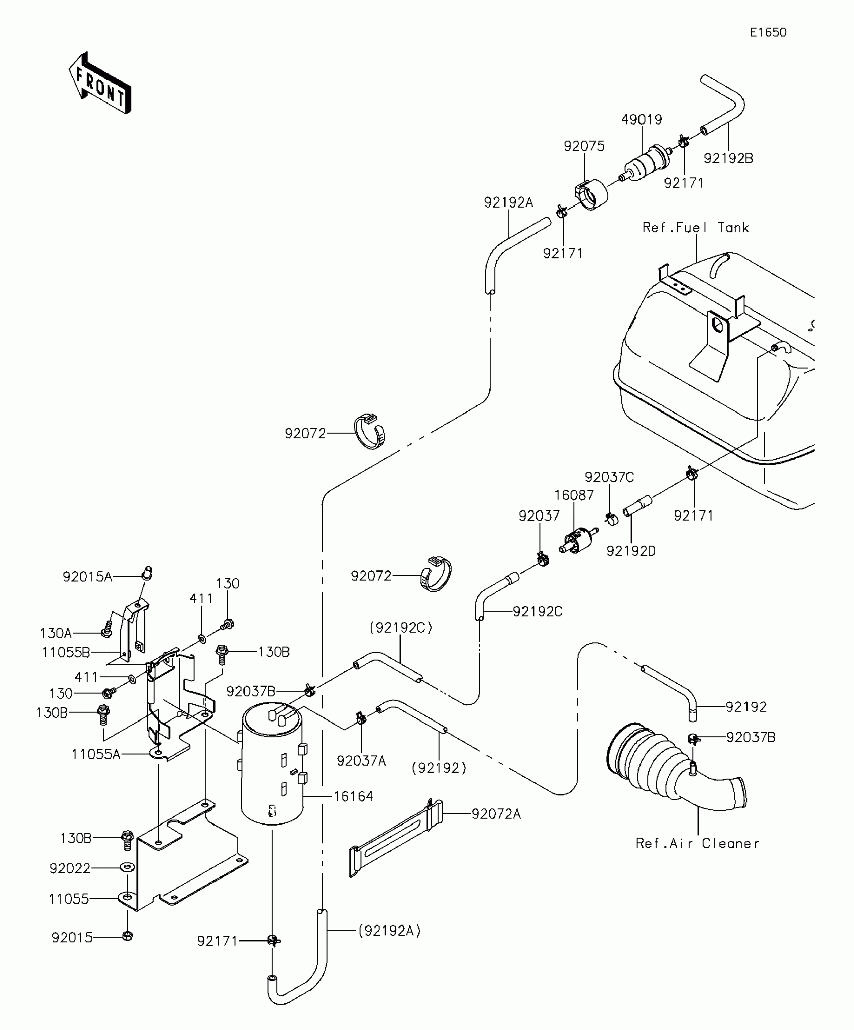
Fuel Evaporative System(EBF)
Kawasaki MULE™ 610 4x4 XC CAMO Fuel Evaporative System(EBF) Diagram
#
Description
Price
16164
CANISTER
16164-0007
Unavailable
