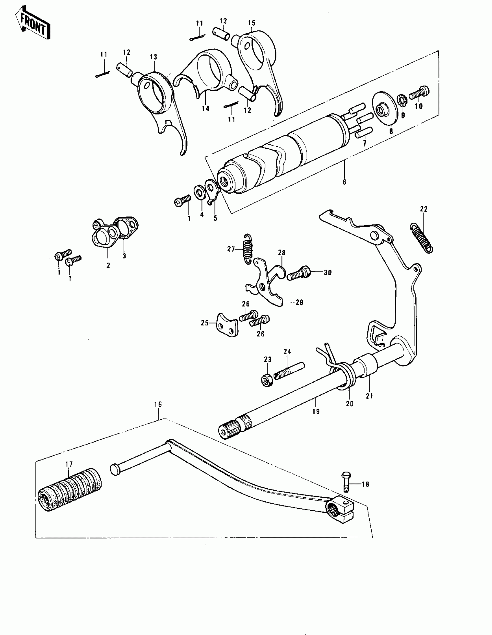
Kawasaki KE175 GEAR CHANGE MECHANISM Diagram
#
Description
Price
1
SCREW-PAN-CROS,6X16
220B0616
Unavailable
2
SWITCH,NEUTRAL
13151-1001
Unavailable
2
SWITCH,NEUTRAL
13151-1001
Unavailable
3
GASKET,NEUTRAL SWITCH
13146-002
Unavailable
4
WASHER-PLAIN-SMALL,6MM
410B0600
Unavailable
5
ROTOR,TOP & NEUTRAL
21007-1003
Unavailable
5
ROTOR,TOP & NEUTRAL
21007-1003
Unavailable
6
DRUM ASSY-GEAR CHANGE
13239-002
Unavailable
7
PIN,DOWEL,4X15.8
92042-014
Unavailable
8
PLATE-CHANGE DRUM PIN
13142-009
Unavailable
9
WASHER LOCK 6MM
464H0600
Unavailable
10
SCREW-PAN-CROS,6X14
220B0614
Unavailable
11
PIN-COTTER,3.0X20
550D3020
Unavailable
12
PIN SELECT FORK GUIDE
92043-005
Unavailable
13
FORK-SELECTOR
13140-030
Unavailable
14
FORK-SELECTOR,TOP
13140-049
Unavailable
15
FORK-SELECTOR,LOW
13140-050
Unavailable
16
PEDAL,GEAR CHANGE
13156-064
Unavailable
17
DAMPER,CHANGE PEDAL
13157-004
Unavailable
18
BOLT-UPSET,6X20
112G0620
Unavailable
19
LEVER ASSY GEAR CHNG
13161-019
Unavailable
20
SPRING,TENSION
92081-1129
Unavailable
20
SPRING,TENSION
92081-1129
Unavailable
21
COLLAR,12X18X11.5
92027-121
Unavailable
22
SPRING,CHANGE LEVER
92144-1720
Unavailable
23
NUT 8MM
312B0800
Unavailable
24
BOLT,RETURN SPRING
92001-1401
Unavailable
25
PLATE CHNG DRUM PSTN
13169-002
Unavailable
26
SCREW-PAN-CROS,6X14
220B0614
Unavailable
27
SPRING-COIL
92081-091
Unavailable
28
LEVER-CHANGE DRUM,B
13168-017
Unavailable
29
LEVER-GEAR CHNG DRUM
13168-021
Unavailable
30
SCREW,6MM
92011-023
Unavailable
