Partiron

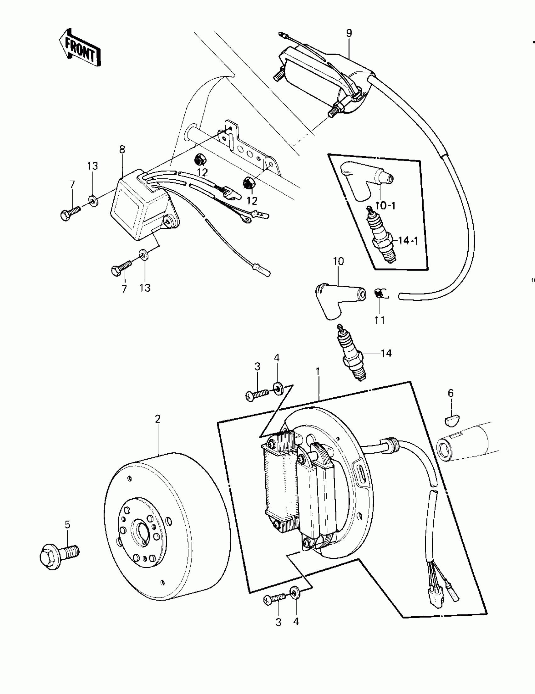
Kawasaki KDX250 IGNITION/GENERATOR Diagram

#

Description
Price

1

STATOR ASSY

21003-1032

$495.64

2

FLYWHEEL,MAGNETO

21007-1012

$511.68

3

SCREW PAN HEAD 5X20

220B0520A

$0.68

4

WASHER-PLAIN,5MM

411B0500

$0.46

5

BOLT,10X40

92001-1201

$10.65

6

KEY,WOODRUFF

92038-001

$4.96

7

BOLT,6X18

110G0618

$1.01

8

IGNITER

21119-1009

$574.76

9

COIL,IGNITION

21121-1024

Unavailable

10

CAP-SPARK PLUG

21130-009

$22.10

10-1

CAP-ASSY-PLUG

21160-1009

$45.88

11

TERMINAL,SPARK PLUG CAP

92101-001

$1.69

12

NUT,LOCK,6MM

92019-008

$4.26

13

WASHER PLAIN

92022-024

$3.65

14

PLUG-SPARK,B8ES(NGK)

92070-037

$3.62

15

PLUG-SPARK,BR8ES(NGK)

92070-1021

$3.62