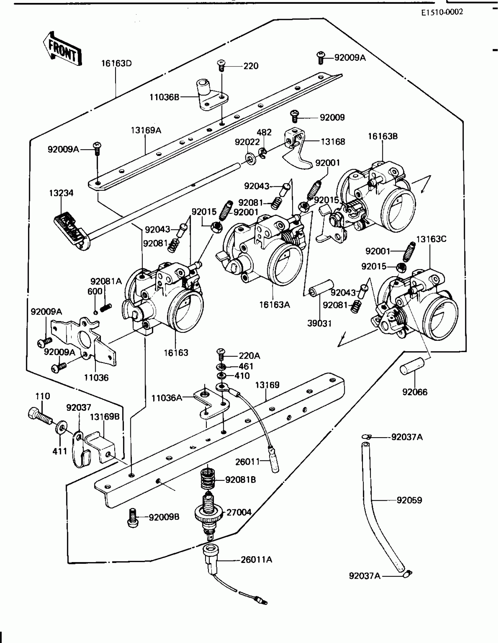
Kawasaki GPz THROTTLE ASSY (KZ1100-B1) Diagram
#
Description
Price
11036
BRACKET-A,THROTTLE SW
11036-1081
Unavailable
11036A
BRACKET-A,IDLE SWITCH
11036-1082
Unavailable
11036B
BRACKET-A,THRTTL CABL
11036-1211
Unavailable
13168
LEVER,FAST IDLE
13168-1089
Unavailable
13169
PLATE,THRTTL STAY,LWR
13169-1403
Unavailable
13169A
PLATE,THRTTL STAY,UPP
13169-1439
Unavailable
13169B
PLATE,PROTECTOR
13169-1441
Unavailable
13234
SHAFT-COMP,FAST IDLE
13234-1005
Unavailable
39031
CAP-END
39031-1009
Unavailable
92009
SCREW,PAN HEAD,5X7
16046-007
Unavailable
92022
WASHER,PLAIN,NYLON
16039-019
Unavailable
110
BOLT HEX HEAD 5X10
110B0510
Unavailable
