Kawasaki GPz BATTERY CASE/TOOL CASE Diagram
#
Description
Price
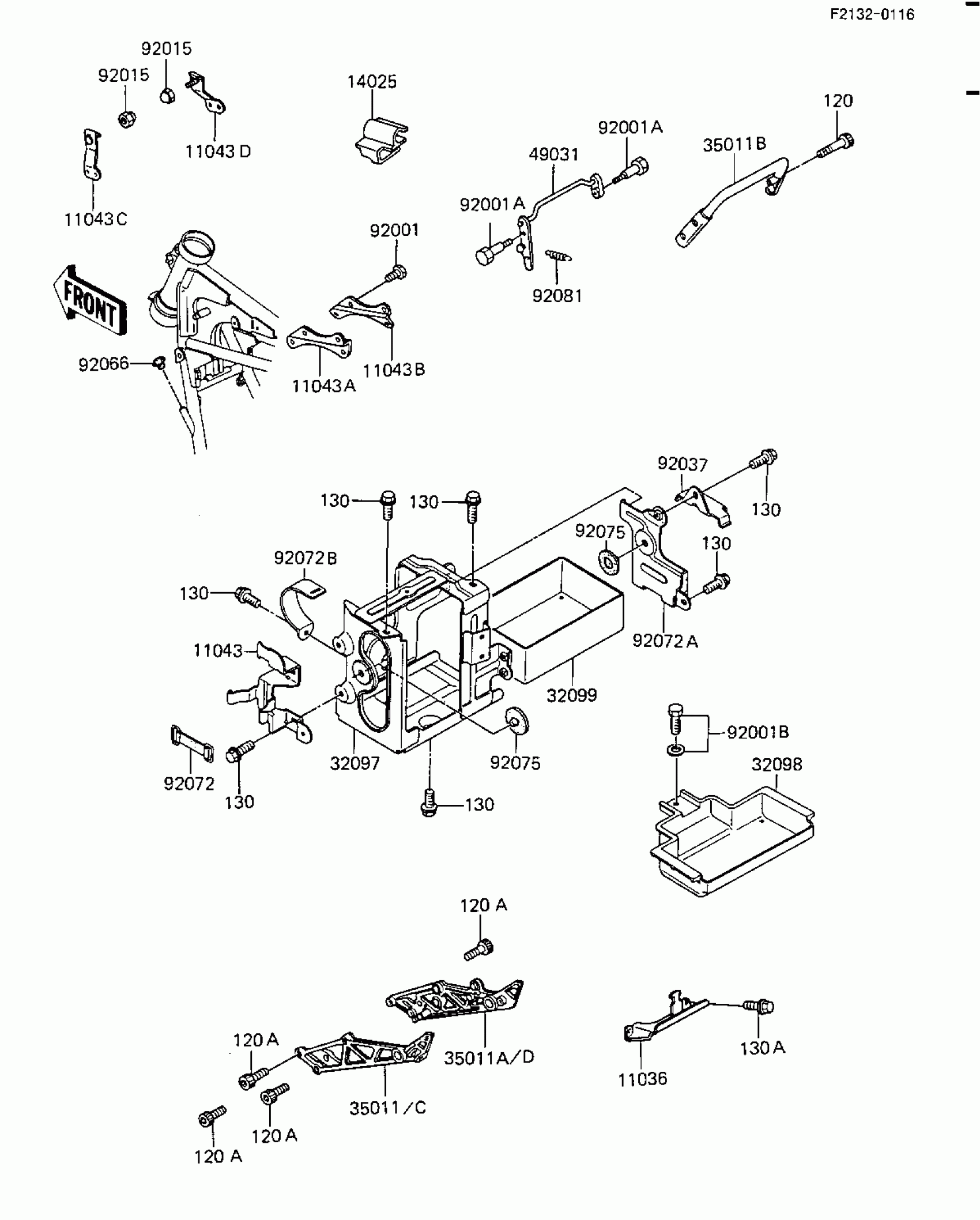
11036
BRACKET-A,REGULATOR
11036-1061
Unavailable
11036A
BRACKET-A,FUEL FILTER
11036-1064
Unavailable
13169
PLATE,BATTERY CASE,FR
13169-1395
Unavailable
32099
CASE
32099-1009
Unavailable
92072
BAND,AIR CLEANER FITT
92072-1017
Unavailable
92072A
UNAVAILABLE IN PRICE BOOK
92072-158
Unavailable
92075A
DAMPER,BATTERY
92075-1143
Unavailable
110A
BOLT-UPSET 6X14
112B0614
Unavailable
