- Partiron
- OEM Parts
- Can-Am
- Can-Am SXS
- 2021
- 009 - SSV - International - Maverick Sport Series
- 003 - Maverick Sport 1000R - XRC - International, 2021
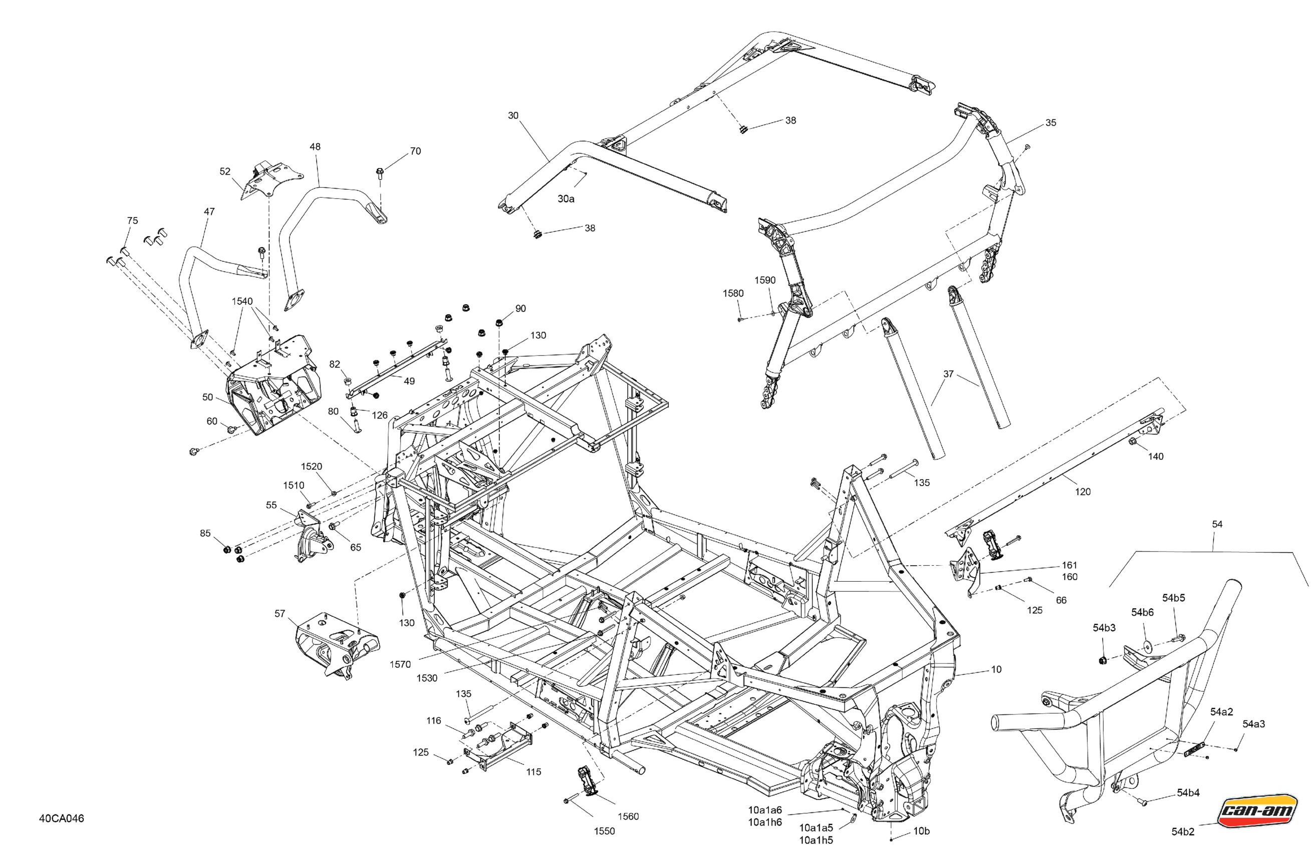
06- Frame - System
Can-Am 003 - Maverick Sport 1000R - XRC - International, 2021 06- Frame - System Diagram
#
Description
Price
10
Chassis | Includes 10 to 10b
705210862
Unavailable
52
Front Anchorage Ass'y
705211909
Unavailable
