- Partiron
- OEM Parts
- Can-Am
- Can-Am SXS
- 2022
- 013 - SSV - International - Maverick Sport Series
- 002 - Maverick Sport 1000R - DPS - International, 2022
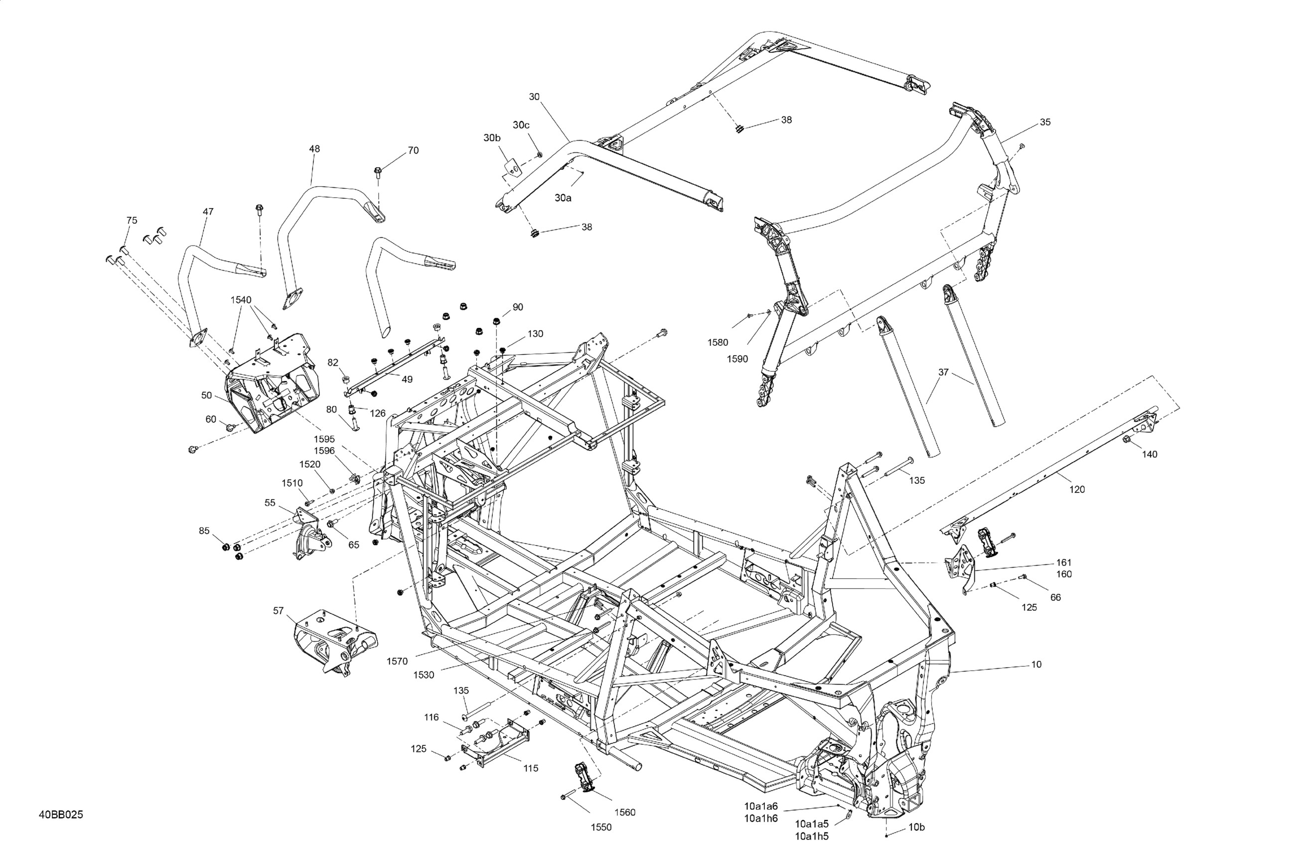
06- Frame - System
Can-Am 002 - Maverick Sport 1000R - DPS - International, 2022 06- Frame - System Diagram
#
Description
Price
10
Chassis Ass'y | Includes 10 to 10a2w3
715009354
Unavailable
