- Partiron
- OEM Parts
- Can-Am
- Can-Am SXS
- 2022
- 010 - SSV - International - Commander Series
- 002 - Commander 700 EFI - XT - International, 2022
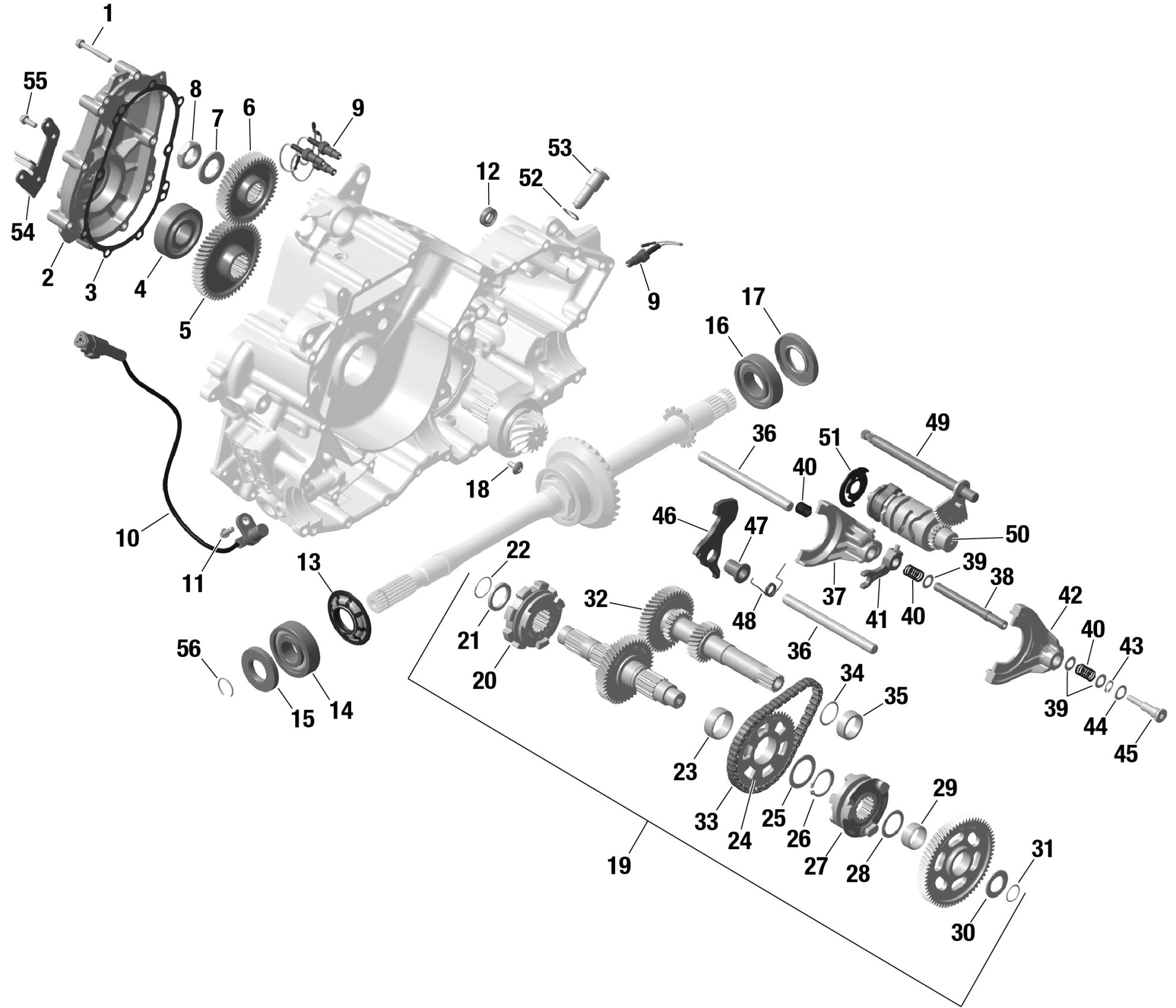
01- ROTAX - GearBox
Can-Am 002 - Commander 700 EFI - XT - International, 2022 01- ROTAX - GearBox Diagram
#
Description
Price
