- Partiron
- OEM Parts
- Can-Am
- Can-Am SXS
- 2023
- 009 - SSV - North America - Maverick Trail Series
- 001 - Maverick Trail 700 - BASE - North America, 2023
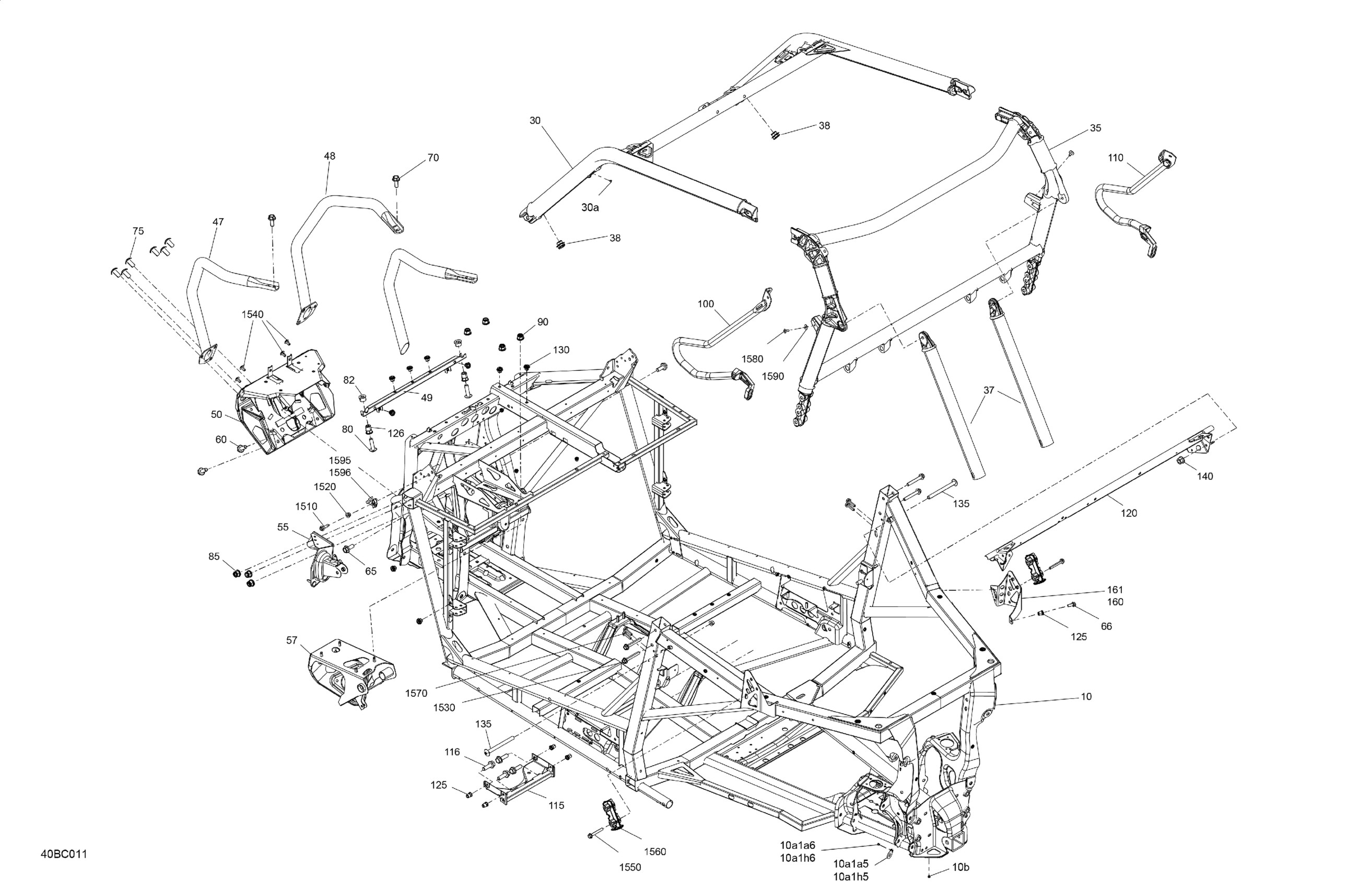
06- Frame - System
Can-Am 001 - Maverick Trail 700 - BASE - North America, 2023 06- Frame - System Diagram
#
Description
Price
