- Partiron
- OEM Parts
- Can-Am
- Can-Am SXS
- 2021
- 009 - SSV - International - Maverick Sport Series
- 001 - Maverick Sport 1000 - BASE - International, 2021
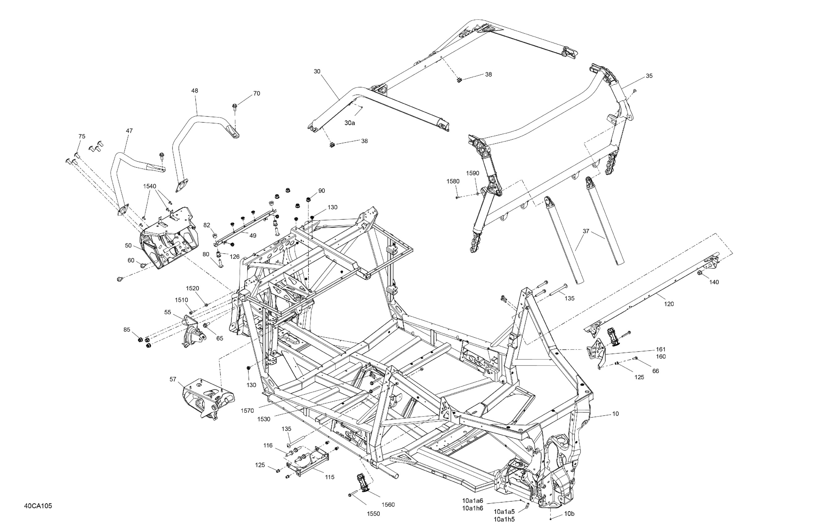
06- Frame - System
Can-Am 001 - Maverick Sport 1000 - BASE - International, 2021 06- Frame - System Diagram
#
Description
Price
